q946電動四通球閥

q946電動四通球閥

  • 質量穩定
  • 價格合理
  • 交貨快捷
  • 泰通閥門為您提供全套工程閥門解決方案
  • 銷售:021-6810 3333    6139 0811
  • 傳真:021-5168 6322
  • 地址:上海南匯空港工業區金聞路1288號

詳細介紹

結構特點
1、流體阻力小:球體和閥體的連接管道截面相等,且球體通道采用圓弧連接,介質通過球體時,流體阻力小。
2、密封性能: 閥座采用具有一定彈性變形和高強度的PTFE材料,達到良好密封性能保證了閥門的穩定性。
3、使用壽命長: 閥門的閥芯和光頸材料采用奧氏不銹鋼,閥座材料選用PTFE, 能達到良好的抗腐蝕性作用,延長了閥門使用壽命。

執行標準
1.設計和制造:GB/T12237989; APl608。
2.檢驗和試驗:GB/T13927992; APl 598。
3.法蘭連接:JB/T79]一2994; ASME/ANSI B165。

主要零件材料

閥體\閥蓋

GB

WCB

ZGlCrl8Ni9Ti

ZGOCfl8Nil2M02Ti

ASTM

WCB

CF8

CF8M

球體

?GB

2Cfl3

1Cfl8Ni9Ti

0Cfl8Ni12M02Ti

ASTM

420

304

316

閥桿

GB

2Crl3

1Crl8Ni9Ti

0Crl8Ni12M02Ti

ASTM

420

304

316

閥座\密封面

GB

聚四氟乙烯

對位聚苯

聚四氟乙烯

對位聚苯

聚四氟乙烯

對位聚苯

ASTM

聚四氟乙烯

對位聚苯

聚四氟乙烯

對位聚苯

聚四氟乙烯

對位聚苯

填料

GB

聚四氟乙烯

柔性石墨

聚四氟乙烯

柔性石墨

聚四氟乙烯

柔性石墨

ASTM

聚四氟乙烯

柔性石墨

聚四氟乙烯

柔性石墨

聚四氟乙烯

柔性石墨

螺栓

GB

35

0Crl8Ni9

0Crl8Ni9

ASTM

A193B7

A320-B8

A320-B8

螺母

GB

45

0Cfl8Ni9

0Crl8Ni9

ASTM

A1942H

A194-8

A194-8

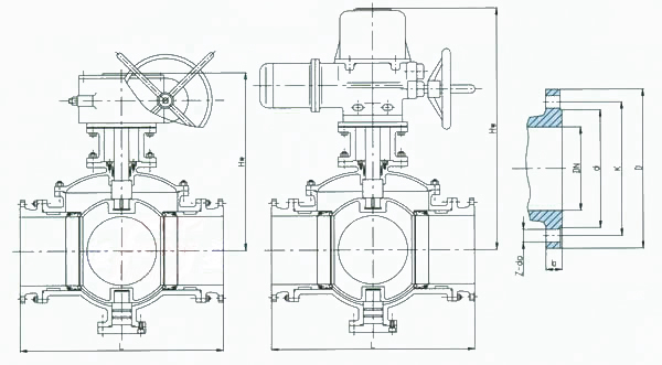
主要連接尺寸

公稱壓力
PN

公稱通徑
DN

尺 寸(mm)

L

L0

D

K

d

Y

b

z-do

Hw

Hd

1.6MPa

50

260

130

165

125

100

 

16

4-ф18

205

265

65

320

160

185

145

120

 

18

4-ф18

245

295

80

320

160

200

160

135

 

20

8-ф18

305

345

100

370

185

220

180

155

 

20

8-ф18

340

420

125

510

255

250

210

185

 

22

8-ф18

425

465

150

510

255

285

240

2'0

 

24

8-ф23

450

505

200

580

290

340

295

265

 

26

12-ф23

480

525

250

670

335

405

355

320

 

30

12-ф25

530

565

300

760

380

460

410

375

 

30

12-ф25

585

630

350

850

425

520

470

435

 

34

16-ф25

625

675

400

980

490

580

525

485

 

36

16-ф30

670

710

450

1080

540

640

585

545

 

40

20-ф30

705

770

500

1220

610

715

650

608

 

44

20-ф34

765

825

600

1360

680

840

770

718

 

48

20-ф41

840

945

700

1750

875

910

840

788

 

50

24-ф41

1050

1110

800

1850

925

1025

950

898

 

52

24-ф41

1125

1220

900

2050

1025

1125

1050

998

 

54

28-ф41

1260

1315

1000

2150

1075

1255

1170

1110

 

56

28-ф48

1325

1385

1200

2450

1225

1485

1390

1325

 

58

32-ф54

1395

1450

2.5MPa

50

260

130

165

125

100

 

20

4-ф18

205

265

65

320

160

185

145

120

 

22

8-ф18

245

295

80

320

160

200

160

135

 

22

8-ф18

305

345

100

370

185

230

190

160

 

24

8-ф23

340

420

125

510

255

270

220

188

 

28

8-ф25

405

465

150

510

255

300

250

218

 

30

8-ф25

450

505

200

580

290

360

310

278

 

34

12-ф25

480

525

250

670

335

425

370

332

 

36

12-ф30

530

565

300

760

380

485

430

390

 

40

16-ф30

585

630

350

850

425

555

490

448

 

44

16-ф34

625

675

400

980

490

620

550

505

 

48

16-ф34

670

710

450

1080

540

670

600

555

 

50

20-ф34

705

770

500

1220

610

730

660

610

 

52

20-ф41

765

825

600

1360

680

845

770

718

 

56

20-041

840

945

700

1750

875

960

875

815

 

60

24-ф48

1050

1110

800

1850

925

1085

990

930

 

64

24-ф48

1125

1220

900

2050

1025

1185

1090

1025

 

66

28-ф54

1260

1315

1000

2150

1075

1320

1210

1140

 

68

28-ф58

1325

1385

1200

2450

1225

1520

1420

1350

 

72

32-ф58

1395

1450

4.0MPa

50

260

130

165

125

100

88

20

8-ф18

245

285

65

320

160

185

145

120

110

22

8-ф18

265

315

80

320

160

200

160

135

121

22

8-ф18

320

365

100

370

185

235

190

160

150

24

8-ф23

355

465

125

510

255

270

220

188

176

28

8-ф25

425

495

150

510

255

300

250

218

204

30

8-ф25

470

535

200

580

290

375

320

282

260

38

12-ф30

480

565

250

670

335

450

385

345

313

42

12-ф34

530

605

300

760

380

515

450

408

364

46

16-ф34

585

675

350

850

425

580

510

465

422

52

16-ф34

625

705

400

980

490

660

585

535

474

58

16-ф41

670

745

450

1080

540

685

610

560

524

60

20-ф41

705

795

500

1220

610

755

670

612

576

62

20-ф48

765

855

600

1360

680

890

795

730

678

62

20-ф54

840

985


C1aSS150

2"

260

130

152

120.5

92

 

16

傘φ19

205

265

2 1/2"

320

160

178

139.5

105

 

18

4-ф19

245

295

3"

320

160

190

152.5

127

 

19

4-ф19

305

345

4"

370

185

229

190.5

157

 

24

8-ф19

340

420

5"

510

255

254

216

186

 

24

8-ф22

425

465

6"

510

255

279

241.5

216

 

26

8-ф22

450

505

8"

580

290

343

298.5

270

 

29

8-ф22

530

525

10"

670

335

406

362

324

 

31

12-ф25

630

565

12"

760

380

483

432

381

 

32

12-ф25

680

630

14"

850

425

533

476

413

 

35

12-ф29

625

675

16"

980

490

597

540

470

 

37

16-ф29

670

710

18"

1080

540

635

578

533

 

40

16-ф32

705

770

20"

1220

610

699

635

584

 

43

20-ф32

765

825

24"

1360

680

813

749.5

692

 

48

20。ф35

840

945

28"

1750

875

927

864

800

 

71

28-ф35

1050

1110

32"

1850

925

1060

978

914

 

81

28-ф41

1125

1220

36"

2050

1025

1168

1086

1022

 

90

32-ф41

1260

1315

40"

2150

1075

1289

1200

1124

 

90

36-ф41

1325

1385

48"

2450

1225

1511

1422

1359

 

108

44-ф41

? 1395

? 1450

產品尺寸

溫馨提示:“q946電動四通球閥”所有文字、數據、圖片均只適用于參考。
如需與實物相吻合的性能參數、結構尺寸參數等詳情請來電來函索取。
電話:021-68103333    傳真:021-51686322
  • 泰通二維碼掃一掃關注我們
  • 聯系我們
  • 公司地址:上海南匯空港工業區金聞路1288號
  • 浙江基地:溫州甌北東甌工業區
  • 銷售:021-68103333 
  • 郵箱:shttv@qq.com
© 2017 上海泰通閥門有限公司 版權所有 滬ICP備11033150號
Top

[關閉]免費接聽泰通銷售工程師電話

輸入手機或固定電話號碼,點擊“免費咨詢”按鈕后,
我們的服務人員會在15秒內回撥您。

手機請直接輸入:如 13878800000
座機前請加區號:如 02168103333
我們已對本次通話全程加密,您的通話費用我們已經幫您支付,請放心接聽!
免費通話所產生的費用由我們來支付,請放心接聽!
銷售熱線:021-6810 3333