q646氣動四通球閥

q646氣動四通球閥

  • 質量穩定
  • 價格合理
  • 交貨快捷
  • 泰通閥門為您提供全套工程閥門解決方案
  • 銷售:021-6810 3333    6139 0811
  • 傳真:021-5168 6322
  • 地址:上海南匯空港工業區金聞路1288號

詳細介紹

用途及特點
1、流體阻力小:球體和閥體的連接管道截面相等,且球體通道采用圓弧連接,介質通過球體時,流體阻力小。
2、密封性能女子: 閥座采用具有一定彈性變形和高強度的PTFE材料,達到良好密封性能保證了閥門的穩定性。
3、使用壽命長: 閥門的閥芯和光頸材料采用奧氏不銹鋼,閥座材料選用PTFE, 能達到良好的抗腐蝕性作用,延長了閥門使用壽命。

執行標準 
I 設計和制造:GB/T12237989; APl608。
2.檢驗和試驗:GB/T13927992; APl 598。
3 法蘭連接:JB/T79]一2994; ASME/ANSI B165。

【技術參數】試驗壓力 單位:Mpa

公稱壓力
PN

常溫最大
工作壓力

殼體
試驗壓力

氣密封
試驗壓力

高壓密封
試驗壓力

1.6

1.6

2.4

0.6

1.76

2.5

2.5

3.8

0.6

2.75

4.0

4.0

6.0

0.6

4.4

C1aSSl50

2.0

3.0

0.6

2.2

使用范圍

殼體材料

閥座材料

適用溫度

適用介質

碳鋼C型

聚四氟乙烯

≤150℃

水\蒸汽

對位聚苯

≤300℃

油晶等

鉻鎳鈦鋼P型

聚四氟乙烯

≤150℃


硝酸類

對位聚苯

≤200℃

 
鉻鎳鉬鈦鋼R型

聚四氟乙烯

≤150℃


醋酸類

對位聚苯

≤200℃

主要零件材料

閥體\閥蓋

GB

WCB

ZGlCrl8Ni9Ti

ZGOCfl8Nil2M02Ti

ASTM

WCB

CF8

CF8M

球體

GB

2Cfl3

1Cfl8Ni9Ti

0Cfl8Ni12M02Ti

ASTM

420

304

316

閥桿

GB

2Crl3

1Crl8Ni9Ti

0Crl8Ni12M02Ti

ASTM

420

304

316

閥座\密封面

GB

聚四氟乙烯

對位聚苯

聚四氟乙烯

對位聚苯

聚四氟乙烯

對位聚苯

ASTM

聚四氟乙烯

對位聚苯

聚四氟乙烯

對位聚苯

聚四氟乙烯

對位聚苯

填料

GB

聚四氟乙烯

柔性石墨

聚四氟乙烯

柔性石墨

聚四氟乙烯

柔性石墨

ASTM

聚四氟乙烯

柔性石墨

聚四氟乙烯

柔性石墨

聚四氟乙烯

柔性石墨

螺栓

GB

35

0Crl8Ni9

0Crl8Ni9

ASTM

A193B7

A320-B8

A320-B8

螺母

GB

45

0Cfl8Ni9

0Crl8Ni9

ASTM

A1942H

A194-8

A194-8

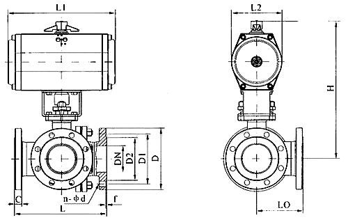
產品尺寸

溫馨提示:“q646氣動四通球閥”所有文字、數據、圖片均只適用于參考。
如需與實物相吻合的性能參數、結構尺寸參數等詳情請來電來函索取。
電話:021-68103333    傳真:021-51686322
  • 泰通二維碼掃一掃關注我們
  • 聯系我們
  • 公司地址:上海南匯空港工業區金聞路1288號
  • 浙江基地:溫州甌北東甌工業區
  • 銷售:021-68103333 
  • 郵箱:shttv@qq.com
© 2017 上海泰通閥門有限公司 版權所有 滬ICP備11033150號
Top

[關閉]免費接聽泰通銷售工程師電話

輸入手機或固定電話號碼,點擊“免費咨詢”按鈕后,
我們的服務人員會在15秒內回撥您。

手機請直接輸入:如 13878800000
座機前請加區號:如 02168103333
我們已對本次通話全程加密,您的通話費用我們已經幫您支付,請放心接聽!
免費通話所產生的費用由我們來支付,請放心接聽!
銷售熱線:021-6810 3333